Trong bối cảnh ngày càng gia tăng của ngành công nghiệp và sự phát triển đô thị, hệ thống làm lạnh nước công nghiệp Water Chiller đang trở thành một phần không thể thiếu của các dự án công nghiệp, nhà xưởng sản xuất, trung tâm thương mại và nhiều ứng dụng khác. Trong bài viết này, hãy cùng Kho Lạnh Hải Phòng tìm hiểu về quá trình thi công lắp đặt máy làm lạnh nước công nghiệp Water Chiller. Từ việc chuẩn bị ban đầu cho đến các bước kỹ thuật cần thiết để đảm bảo hệ thống hoạt động với hiệu suất tối ưu nhất.
Giới thiệu máy làm lạnh nước công nghiệp Water Chiller

Máy làm lạnh nước (hay còn gọi là Water Chiller) là một hệ thống máy làm lạnh nước công nghiệp. Máy hoạt động dựa trên nguyên lý làm lạnh bằng hơi nước. Nhiệt độ nước tạo ra từ 6°C – 30°C. Water Chiller sử dụng công suất điện năng tiêu thụ để tách riêng 2 phần nhiệt nóng và nhiệt lạnh. Phần nhiệt nóng không sử dụng thải ra môi trường xung quanh bằng tháp giải nhiệt cooling tower (chiller giải nhiệt nước), hay chỉ dùng gió thổi qua để làm mát (chiller giải nhiệt gió). Đối với phần nhiệt lạnh sử dụng để tạo ra nước lạnh. Và nước lạnh chủ yếu cho các nhu cầu sau đây:
Giải nhiệt công nghiệp
- Dãy điều chỉnh nhiệt độ nước rộng, từ 6°C đến 30°C.
- Nhà máy Nhựa (khuôn máy ép nhựa), làm lạnh máy in màu, giải nhiệt dầu máy cơ khí chính xác qua tấm PHE.
- Cung cấp nước lạnh cho trộn bê tông.
- Làm lạnh pha trộn hóa chất.
- Công nghiệp thực phẩm: rượu bia, nước giải khát.
Điều hòa không khí trung tâm nước
- Dãy điều chỉnh nhiệt độ nước hẹp, từ 7°C đến 12°C.
- Nhà sách, siêu thị, không gian xưởng công nghiệp cần điều hòa (ngành dệt nhộm, nhà thuốc, bệnh viện với sản phẩm tạo ra yêu cầu về độ ẩm và nhiệt độ.v.v.).
- Những nơi cần một nguồn không khí tươi cho môi trường làm việc nhiều người (trung tâm thương mại).
Quy trình lắp đặt máy làm lạnh nước công nghiệp Water Chiller
Bước 1: Lựa chọn nơi thi công lắp đặt

– Chọn những nơi có mặt đất cứng rắn kiên cố, có thể chịu đựng trọng lượng vận hành của cụm máy, không dễ ảnh hưởng bởi tiếng ồn và độ rung của máy.
– Chọn những nơi có lượng bụi và cát ít, thông thoáng; nhiệt độ môi trường xung quanh 0°C – 40°C và độ ẩm tương đối RH 75%.
– Chọn những nơi gần điện nguồn, thuận tiện cho việc thi công và bảo trì.
– Tránh lắp đặt máy tại nơi dễ bị mưa tạt và gió thổi mạnh, ánh nắng mặt trời chiếu trực tiếp hoặc nơi có nguồn nhiệt bức xạ trực tiếp đối với máy.
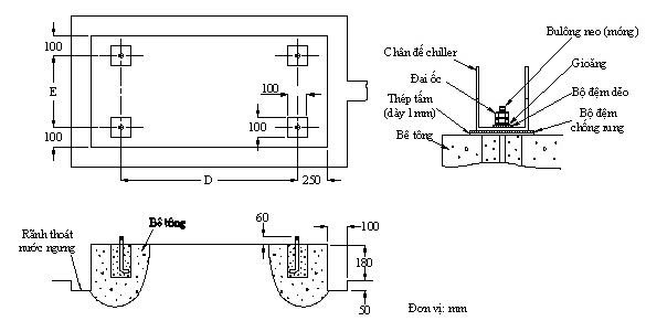
Bước 2: Bệ lắp máy

– Bệ lắp máy bằng bê tông cốt thép tính theo tải trọng vận hành của máy; thép sử dụng loại ∮ (#3) cự ly 10cm một cây, cột thành hai hàng trên dưới hai tầng.
– Khi thi công bệ đặt máy trên nền xi măng bê tông; trước hết nên làm cho bề mặt bê tông xới lên và quét dọn cho sạch sẽ rồi bắt đầu cho lượng nước vào mới thi công.
– Tỷ lệ pha trộn bê tông theo 1:2:4, yêu cầu phải kiên cố và theo nhu cầu các con tán sẽ chôn trước ở bệ máy khi hoàn tất đổ bê tông thì phần bề mặt phải được tô láng lên và phải bằng phẳng.
– Khi đã đổ xong bê tông phải đợi đã hoàn toàn khô ráo và chắc chắn mới bắt đầu lắp đặt cụm máy.
– Môi trường xung quanh khu vực bệ máy phải đảm bảo hệ thống thoát nước hoàn chỉnh. Để tránh xảy ra tình trạng ảnh hưởng đến môi trường xung quanh.
Bước 3: Lắp đặt hệ thống ống nước
– Khi kết nối hệ thống ống nước giữa cụm máy và ống nước bề ngoài xin tham chiếu theo tiêu chuẩn thi công của kết nối ống nước điều hòa không khí.
– Hệ thống ống nước của nước giải nhiệt phải lắp thêm: ống giảm rung, van một chiều, bộ lọc, công tắc dòng chảy, đồng hồ đo áp lực nước, nhiệt kế, tháp giải nhiệt và máy bơm.
– Hệ thống ống nước lạnh phải lắp thêm: ống giảm rung, van một chiều, bộ lọc, công tắc dòng chảy, đồng hồ đo áp lực nước, nhiệt kế, bình giãn nở, máy bơm.
Bước 4: Lắp đặt hệ thống dây điện
+) Giải trình sơ bộ
Nhằm đảm bảo việc an toàn trong sử dụng điện và máy vận hành bình thường. Việc kết nối dây điện phải tuân theo tiêu chuẩn kết nối điện của công trình cơ điện của hệ thống điều hòa không khí, những nguyên tắc liên quan như pháp quy về điện cơ trong quy tắc trang bị đường dẫn điện trong nhà và những pháp quy tương quan khác, làm tiêu chuẩn thi công.
+) Quyết định về đường truyền chính và đường truyền phụ
Đường kính dây điện của đường truyền phụ, độ an toàn trong tính toán phải lớn hơn dòng điện vận hành 1.25 lần. Đường kính dây điện của đường dẫn chính, độ an toàn trong tính toán điện lưu an toàn phải lớn hơn dòng điện vận hành 1.25 lần và những đường truyền phụ khi đã tính ra dòng điện lưu an toàn. Thì căn cứ theo mẫu kê 1 và mẫu 2 chọn lựa dây cáp lớn nhỏ cho phù hợp.
Đơn vị thi công lắp đặt máy làm lạnh nước công nghiệp Water Chiller

Kho Lạnh Hải Phòng là đơn vị chuyên thiết kế và thi công lắp đặt máy làm lạnh nước công nghiệp Water Chiller chuyên nghiệp và uy tín tại Hải Phòng.
Với đội ngũ có chuyên môn giỏi, tận tâm, nhiệt tình chúng tôi cam kết thời gian lắp đặt là nhanh chóng.
Chuyên nghiệp, uy tín, dịch vụ hoàn hảo – Chất lượng làm nên thương hiệu là phương châm hoạt động của chúng tôi !
Nếu quý khách có nhu cầu thi công lắp đặt máy làm lạnh nước công nghiệp Water Chiller hãy liên hệ ngay với chúng tôi để nhận được tư vấn và báo giá chi tiết nhất.


Bài viết liên quan